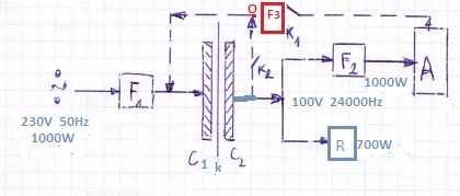
Opis do schematu ilustrującego tą notkę:
- zasilanie układu: 230V, 50 Hz, moc pobierana do 1000 W (zależy od obciążenia)
- F1 – falownik 230V 50Hz//100V 24000Hz
- C1 - cewka
- k – karton
- C2 - cewka
- K1, K2 – klucze zamykające obwód
- F2 – falownik/prostownik 100V 24000 Hz//24V
- R- odbiornik 700W (żarówki, grzałka, etc)
- A – akumulator 24V
- F3 – falownik 24V// 100V 24000 Hz
Każdy uważny obserwator zauważy, że Układ składa się z dwóch części:
- pierwsza: przewody narysowane linią ciągłą - zbudowana;
- druga: przewody narysowane linią przerywaną – projektowana.
A jak projektowana, to tylko zasygnalizowana ideowo, bez detali.
Teraz, gdy mam przygotować opis tego, co mnie w tym Układzie interesuje, to widzę, że schemat musi być uzupełniony. Nowe oznaczenia dorysuję kolorem czerwonym.
Tą notkę będę pisał częściami. Zamieściłem schemat, co pozwoli zainteresowanym zamieszczać uwagi i zadawać pytania.
Uprzedzam, że nie odpowiem na wszystkie pytania.
31.12.2013 17:15
Po dzisiejszych komentarzach widzę, że najwyższy już czas opisać intencje, którymi kierowałem się rozmieszczając tą notkę na swoim blogu.
1. Miałem nadzieję, że w dyskusji będą brali udział ci, którzy będą się doszukiwali pozytywu, a nie błędów. Jednak jak widzę krytykanctwo, to nieuleczalna choroba Polaków.
2. Miałem nadzieję, że w dyskusji zrodzi się pomysł na uczynienie tego układu autonomnym, ale życie jeszcze raz pokazało mi, że jeżeli coś chcą osiągnąć, to muszę liczyć tylko na siebie.
A teraz kilka słów o Układzie pokazanym na schemacie ilustrującym notkę.
1. Wariant "PM 2013" – prostoliniowy: zasilanie, cewki, odbiornik
Dwie specjalne cewki, rozdzielone kartonem podłącza się do sieci o odbiornika tak, żeby cewka C1 brała prąd z gniazdka, a cewka C2 brała prąd z cewki C1 i oddawała odbiornikowi/odbiornikom. Układ sprawdzono i stwierdzono, że maksymalny pobór z sieci (ok.1000W) występuje wtedy, gdy cewka C2 oddawała na odbiornik ok. 1700W.
2. Wariant "PM 2013 A" – odbiornik: bateria akumulatorów
Jeszcze nie zbudowany, gdyż najpierw trzeba wykonać testy pomocnicze, polegające na obniżeniu parametrów układu, co pozwoli obniżyć koszt zakupu akumulatorów. Testować zamierzam w ten sposób, że będę zmniejszał wymiary geometryczne cewki C2.
3. Wariant "PM 2014 S" - samozasilający się.
Wyłączamy klucz K1. Włączamy klucz K2. Wyjmujemy gniazdko z sieci.
I czekam na uwagi szanownych specjalistów.
31.12.2013 22:25
Teraz mogę zdradzić, że pisałem tą notkę z jednym celem. Chciałem was prosić o poradę: jak rozbudować Układ, żeby działał jak "klasyczne" Perpetuum Mobile.
A gdy tak pisałem i robiłem przerwy na analizy i myślenie, to ... znalazłem tak prosty sposób na sprawdzenie specjalnego rozwiązania, że żaden z was, specjalistów, nie mógłby wymyśleć prostszego.
Wniosek: Będę miał czym się zająć w 2014 r. Przeżyję go więc tak, jak chciałaby moja mama: Ani jednego dnia przeżytego bez celu!


Komentarze
Pokaż komentarze (103)